





Flat LABIUM est pipe cum internum relatorum, disposito ad convenient connexionem ad threaded fistulas aut caerimonias. Featuring et erexit faciem feminam relatorum in interiore superficiem flated flanges patitur velox installation et sustentacionem per screwing fistulas arcte in locum. In quibusdam casibus, a sigillum weld quoque potest applicari in conjunction cum threaded pipe Flange.
Hoc genus LABIUM est late in applications requiring securus conventus et disassembly, praecipue in humilis-pressura systems in residentialibus, commercial, et industriae occasus. Quidam communi applications includit connectens tibiae vel exercituum ad pumps, valvulae, pressura vasa, obterere et alia apparatu. Haec flanges etiam providere an airtight sigillum coniuncta sunt fistulae vel hoses continet pressurized liquida aut vapores.
Sed incommodum filo flanges est etiam obvious. Crevices formatae inter externum et internum relatorum potest facile capere et retinere processus fluidi. Hoc facit cum filum nexu esse facile affectus per gap corrosio et causas defectum.
Introductio
| Vexillum | Asme B16.5 ASME B16.47, etc. |
| Materia | ASTM / ASME A/SA 105 ASTM / ASME A 350, ASTM A 181 LF 2 / A516 Gr.70 A36, A694 F42, F46, F52, F60, F65, F706, etc |
| Superficies | Oiled, picta |
| Genus | FORMATUS |
| magnitudo | Da300 da300 |
| Delivery Tempus | Intra 5-30 diebus post acceptam PROMUTUUS |
| Stipare | Per lignea casu vel grabatum |
| Applicatio | Hoc est in varietate industrias, ut shippuilding, quod potentia industria, Petrochemical plantis, oleum refineries, wastewater curatio plantis, pharmaceutical plantis, turnkey projects, etc. |
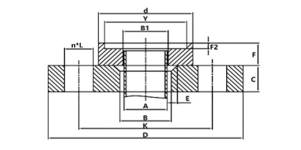
| DA | A | D | K | L | n | Y | F2 | C | B | E | d | B1 | F | Thread cubits |
| 10 | 14 | 90 | 60 | 14 | 4 | 35 | 3 | 14 | 18 | 3 | 41 | 15 | 12 | M12 |
| 15 | 18 | 95 | 65 | 14 | 4 | 40 | 3 | 14 | 22 | 3 | 46 | 19 | 12 | M12 |
| 20 | 25 | 105 | 75 | 14 | 4 | 51 | 3 | 16 | 29 | 4 | 56 | 26 | 14 | M12 |
| 25 | 32 | 115 | 85 | 14 | 4 | 58 | 3 | 16 | 36 | 4 | 65 | 33 | 14 | M12 |
| 32 | 38 | 140 | 100 | 18 | 4 | 66 | 3 | 18 | 42 | 5 | 76 | 39 | 14 | M16 |
| 40 | 45 | 150 | 110 | 18 | 4 | 76 | 3 | 18 | 50 | 5 | 84 | 46 | 14 | M16 |
| 50 | 57 | 165 | 125 | 18 | 4 | 88 | 3 | 20 | 62 | 5 | 99 | 59 | 16 | M16 |
| 65 | 76 | 185 | 145 | 18 | 4 | 110 | 3 | 20 | 81 | 6 | 118 | 78 | 16 | M16 |
| 80 | 89 | 200 | 160 | 18 | 8 | 121 | 3 | 20 | 94 | 6 | 132 | 91 | 16 | M16 |
| 100 | 108 | 220 | 180 | 18 | 8 | 150 | 3.5 | 22 | 114 | 6 | 156 | 110 | 18 | M16 |
| 125 | 133 | 250 | 210 | 18 | 8 | 176 | 3.5 | 22 | 139 | 6 | 184 | 135 | 18 | M16 |
| 150 | 159 | 285 | 240 | 22 | 8 | 204 | 3.5 | 24 | 165 | 6 | 211 | 161 | 20 | M20 |
| 200 | 219 | 340 | 295 | 22 | 12 | 260 | 3.5 | 26 | 226 | 6 | 266 | 222 | 20 | M20 |
| 250 | 273 | 405 | 355 | 26 | 12 | 313 | 3.5 | 28 | 281 | 8 | 319 | 276 | 22 | M24 |
| 300 | 325 | 460 | 410 | 26 | 12 | 364 | 3.5 | 32 | 334 | 8 | 370 | 328 | 24 | M24 |
Condita in MMVII et ad Longyou oeconomica progressionem zonam, Zhejiang provincia, in MMXXII. Covers aream 130,000 quadratum metris, magis quam XXX productio lineas, CCC operarios, XX R & D populus, XXX inspectionem et annua, XX R & D populus, XXX inspectionem et annua output de 50.000 talentorum XXX.
It has passed ISO9001:2008 quality management system, PED 97/23/EC EU Pressure Equipment Directive certification, China Special Equipment Manufacturing License (Pressure Tube) TS certification, ASME certification, provincial enterprise standardization management system, ISO14000:2004 environment management system, cleaner production (green enterprise), and a series of certifications, as well as China Classification Society (CCS), American Bureau of Shipping (Abs): British Register of Shipping (LR), Deutsche Veritas (GL), Bureau veritas Society (BV), Det Norske (DNV), Coreanica Register of Shipping (KR) officina certification.
Pelagus products includere immaculatam ferro, pipe caerimonias, flanges, valvulae, etc., quae late in PETROLEUM, chemical industria, nuclei industria, urget, shippuilding, nuclei, cibo, saltu, electrica, et alimentis, mechanica apparatibus, et aliis agris. In comitatu adhaeret ad corporatum tenet de "qualis est superessendam, fama pro progressionem" et animo serves omnis mos creare win-vincere situ.





Missa Densitas Mitis Steel: Basics et practica momentum Massa densitas ferri lenis est proprietas fundamentalis quae directe afficit quomodo fabrum et designantium magnitudines componentes, pond...
VisumIntroductio ad Maximum Alloy Steel Material Ferrum mixturae gravis materia typum ferrei est quod parva cento elementorum mixtura continet, minus quam 8% typice, praeter carbonem. Haec elementa, ...
VisumOverview - quid "pondus per cubicum pollicis" significat pro ferro immaculato "Pondus per cubicum pollicis" simpliciter est massa (in libras) unius materiae cubicae pollicis. Hoc enim ferrum imm...
VisumNos te numquam participes vestri email oratio et vos
Potest opt e aliquo tempore promittimus.