





A crux est genus pipe decet quod habet quattuor openings in unum nexu. Fuit similis crucis conjungit quatuor fistulae in unum. Hoc plerumque habet solvent-welded bases vel feminam, fila terminos.
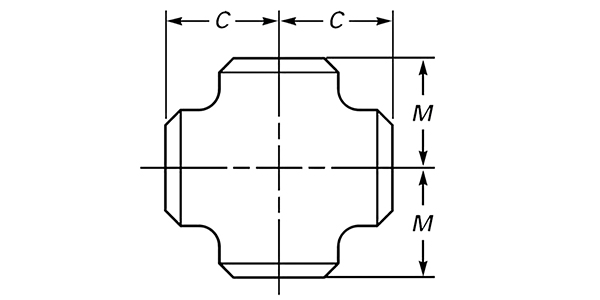
Parem crucem decet crucis cum quatuor openings habens eadem diametri et connectens ad quatuor fistularum eiusdem diametri.
Cruces pipe caerimonias sunt ad connect fistularum et mutare vel potestate fluxus per a limbis ratio. Et dimensiones ludere an maximus munus in statuendi robore et stabilitatem. Cum eadem moles fistulae connectuntur fluidorum fluxus unam partem dividitur in tres partes. Cross-pipe conveniens erit subiectum magnum pressura problems cum fluida fluit tres directiones expectat movere in uno.
Cross pipe caerimonias ut accentus tibiarum ut temperaturis mutare debitum ad quattuor-modo natura. Igitur Pipes sunt plerumque non usus est ut pipeline hydraulicis. Vice versa, ubi scelerisque expansion non est exitus, crucem-caerimonias sunt commodius.
Introductio
| Pareo | |
| Item | Immaculatam ferro aequalis crucem |
| Vexillum | Asme: Ansi B16.9, Ansi B16.28, MSS-sp-XLIII En: En10253-1, En10253-2 Laudate: Din2605, Din2615, Din2616, Din2617, Din28011 Asme B16.25- Tercare Weld extremis ASME B16.28- FERRUM STRUUM BREVIS RADIUS LBFS et blande Mss sp-XLIII-fabricata & fabrefactum petat-welding caerimonias ad corrosio repugnant, humilis-pressura applications ASMM A403-ASME SA403-Specification enim FILIIS AUSTENCETICIA STELLLLLES Asumme B16.9-FILUM FILIIS PRSIO WELDING |
| Materia | Steel Aliy Steel, Duplex, Nickel Alloys, humilis-temperatus ferro, Carbon ferro, etc. |
| Superficies | Annealed & CONDITANEUS, calidum intinge galvanizing, electro Poloniae, transparent oleum, cadmiae laminis, nigrum pingere, varnish |
| Genus | Ventilabis, torcular, Forge, cast, etc. |
| magnitudo | ½ "-48" |
| Delivery Tempus | Intra 5-30 diebus post acceptam PROMUTUUS |
| Stipare | Shrink involvit carton pallet vel in saelworthy lignea Caede |
| Applicatio | Fittings ad coniungere pipe & fistulae in PETROLEUM, Power, Chemical, Construction, Gas, Metallurgy, Shipbuilding etc. |
| Nominal pipe magnitudine | Nominal pipe magnitudine | Centrum ad finem (In.) | |
| Nps | (in.) | Run, C | Exitus, m |
| Obolum | 0.84 | 1.00 | 1.00 |
| Quadrata | 1.05 | 1.12 | 1.12 |
| 1 | 1.32 | 1.50 | 1.50 |
| 1¼ | 1.66 | 1.88 | 1.88 |
| 1½ | 1.90 | 2.25 | 2.25 |
| 2 | 2.38 | 2.50 | 2.50 |
| 2½ | 2.88 | 3.00 | 3.00 |
| 3 | 3.50 | 3.38 | 3.38 |
| 3½ | 4.00 | 3.75 | 3.75 |
| 4 | 4.50 | 4.12 | 4.12 |
| 5 | 5.56 | 4.88 | 4.88 |
| 6 | 6.62 | 5.62 | 5.62 |
| 8 | 8.62 | 7.00 | 7.00 |
| 10 | 10.75 | 8.50 | 8.50 |
| 12 | 12.75 | 10.00 | 10.00 |
| 14 | 14.00 | 11.00 | 11.00 |
| 16 | 16.00 | 12.00 | 12.00 |
| 18 | 18.00 | 13.50 | 13.50 |
| 20 | 20.00 | 15.00 | 15.00 |
| 22 | 22.00 | 16.50 | 16.50 |
| 24 | 24.00 | 17.00 | 17.00 |
| 26 | 26.00 | 19.50 | 19.50 |
| 28 | 28.00 | 20.50 | 20.50 |
| 30 | 30.00 | 22.00 | 22.00 |
| 32 | 32.00 | 23.50 | 23.50 |
| 34 | 34.00 | 25.00 | 25.00 |
| 36 | 36.00 | 26.50 | 26.50 |
| 38 | 38.00 | 28.00 | 28.00 |
| 40 | 40.00 | 29.50 | 29.50 |
| 42 | 42.00 | 30.00 | 28.00 |
| 44 | 44.00 | 32.00 | 30.00 |
| 46 | 46.00 | 33.50 | 31.50 |
| 48 | 48.00 | 35.00 | 33.00 |
Condita in MMVII et ad Longyou oeconomica progressionem zonam, Zhejiang provincia, in MMXXII. Covers aream 130,000 quadratum metris, magis quam XXX productio lineas, CCC operarios, XX R & D populus, XXX inspectionem et annua, XX R & D populus, XXX inspectionem et annua output de 50.000 talentorum XXX.
It has passed ISO9001:2008 quality management system, PED 97/23/EC EU Pressure Equipment Directive certification, China Special Equipment Manufacturing License (Pressure Tube) TS certification, ASME certification, provincial enterprise standardization management system, ISO14000:2004 environment management system, cleaner production (green enterprise), and a series of certifications, as well as China Classification Society (CCS), American Bureau of Shipping (Abs): British Register of Shipping (LR), Deutsche Veritas (GL), Bureau veritas Society (BV), Det Norske (DNV), Coreanica Register of Shipping (KR) officina certification.
Pelagus products includere immaculatam ferro, pipe caerimonias, flanges, valvulae, etc., quae late in PETROLEUM, chemical industria, nuclei industria, urget, shippuilding, nuclei, cibo, saltu, electrica, et alimentis, mechanica apparatibus, et aliis agris. In comitatu adhaeret ad corporatum tenet de "qualis est superessendam, fama pro progressionem" et animo serves omnis mos creare win-vincere situ.





Missa Densitas Mitis Steel: Basics et practica momentum Massa densitas ferri lenis est proprietas fundamentalis quae directe afficit quomodo fabrum et designantium magnitudines componentes, pond...
VisumIntroductio ad Maximum Alloy Steel Material Ferrum mixturae gravis materia typum ferrei est quod parva cento elementorum mixtura continet, minus quam 8% typice, praeter carbonem. Haec elementa, ...
VisumOverview - quid "pondus per cubicum pollicis" significat pro ferro immaculato "Pondus per cubicum pollicis" simpliciter est massa (in libras) unius materiae cubicae pollicis. Hoc enim ferrum imm...
VisumNos te numquam participes vestri email oratio et vos
Potest opt e aliquo tempore promittimus.